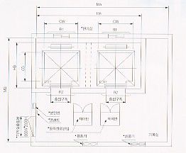
기계실도면 승강로및기계실평면도 작성자 관리자 작성일 2007-04-16 05:35 조회 5759 좋아요 0 싫어요 0 인쇄 « 승강로단면도 승강로및기계실평면도(1대단독) » 목록보기 답글쓰기 Powered by KBoard